| | Тормозной барабан Вес [кг] : 4 Внутрен. высота торм. барабана [мм] : 42 Внутрен. диаметр торм.барабан [мм] : 203 Высота [мм] : 64 Диаметр ступицы 1 [мм] : 90 Число отверстий в диске колеса : 4 Показать больше свойств | |
| | Тормозной барабан Ø отверстия ступицы [мм] : 90 Внутрен. высота торм. барабана [мм] : 42 Внутрен. диаметр торм.барабан [мм] : 203 Сторона установки : Задний мост Число отверстий : 4 Показать больше свойств | |
| | Тормозной барабан Вес [кг] : 3,9 Внутрен. высота торм. барабана [мм] : 42 Диаметр барабана : 203 Дополнительный артикул / дополнительная информация 2 : без ступицы Макс. размер расточки тормозного барабана [мм] : 204 Наружн. диаметр торм. барабана (мм) : 235 Номер технической информации : 61300 Общ. высота торм. барабана [мм] : 63,5 Расположение/число отверстий : 04/06 Показать больше свойств | |
| | Тормозной барабан Диаметр [мм] : 205 Диаметр барабана : 203 Количество крепежных отверстий : 4 Наружный диаметр [мм] : 235 Общая высота [мм] : 63 Ширина (мм) : 42 Показать больше свойств | |
| | Тормозной барабан Сторона установки : Задний мост | |
| | Тормозной барабан Ø отверстия ступицы [мм] : 90 Внутрен. высота торм. барабана [мм] : 42 Внутрен. диаметр торм.барабан [мм] : 203 Сторона установки : Задний мост Число отверстий : 4 Показать больше свойств | |
| | Тормозной барабан Вес [кг] : 4,122 необходимое количество : 1 Сторона установки : Задний мост | |
| | Тормозной барабан Внутрен. высота торм. барабана [мм] : 40,5 Диаметр барабана : 203 Диаметр фаски 2 [мм] : 114,3 Количество отверстий : 4 Макс. размер расточки тормозного барабана [мм] : 205 Показать больше свойств | |
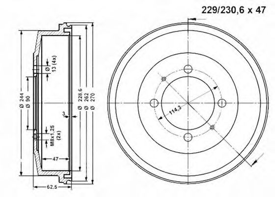
| | Тормозной барабан Внутрен. высота торм. барабана [мм] : 46 Диаметр барабана : 228,6 Диаметр фаски 2 [мм] : 114,3 Количество отверстий : 4 Макс. размер расточки тормозного барабана [мм] : 230,6 Показать больше свойств | |
| | Тормозной барабан Внутрен. высота торм. барабана [мм] : 42 Диаметр барабана : 203,0 Общ. высота торм. барабана [мм] : 64 Число отверстий в диске колеса : 4 Показать больше свойств | |
| | Тормозной барабан Ø отверстия ступицы [мм] : 90 Внутрен. высота торм. барабана [мм] : 42 Внутрен. диаметр торм.барабан [мм] : 203 Сторона установки : Задний мост Число отверстий : 4 Показать больше свойств | |
| | Тормозной барабан Внутрен. высота торм. барабана [мм] : 42 Диаметр барабана : 203 Диаметр центрирования [мм] : 90 Количество отверстий : 4 Общ. высота торм. барабана [мм] : 63,5 Показать больше свойств | |
| | Тормозной барабан Внутрен. высота торм. барабана [мм] : 42 Диаметр [мм] : 203 Диаметр фаски 2 [мм] : 90 для артикула № : 7D0496 Количество отверстий 1 : 4 Количество отверстий 2 : 2 Общ. высота торм. барабана [мм] : 64 Показать больше свойств | |
| | Тормозной барабан Внутрен. высота торм. барабана [мм] : 40,5 Диаметр барабана : 203 Диаметр фаски 2 [мм] : 114,3 Количество отверстий : 4 Макс. размер расточки тормозного барабана [мм] : 205 Показать больше свойств | |
| | Тормозной барабан Внутрен. высота торм. барабана [мм] : 46 Диаметр барабана : 228,6 Диаметр фаски 2 [мм] : 114,3 Количество отверстий : 4 Макс. размер расточки тормозного барабана [мм] : 230,6 Показать больше свойств | |
| | Тормозной барабан Внутрен. высота торм. барабана [мм] : 42 Диаметр барабана : 203,0 Общ. высота торм. барабана [мм] : 64 Число отверстий в диске колеса : 4 Показать больше свойств | |
| | Тормозной барабан Внутрен. высота торм. барабана [мм] : 47 Высота [мм] : 62 Диаметр барабана : 230.6 Количество отверстий : 4 Показать больше свойств | |
| | Тормозной барабан Диаметр барабана : 203 Количество отверстий : 4 Макс. размер расточки тормозного барабана [мм] : 205 | |
| | Тормозной барабан Вес [кг] : 3,9 Внутрен. высота торм. барабана [мм] : 42 Диаметр барабана : 203 Макс. размер расточки тормозного барабана [мм] : 204 Наружн. диаметр торм. барабана (мм) : 235 Общ. высота торм. барабана [мм] : 63,5 Расположение/число отверстий : 04/06 Показать больше свойств | |
| | Тормозной барабан Высота [мм] : 63,7 Диаметр барабана : 203 Диаметр ступицы [мм] : 89 Диаметр фаски 2 [мм] : 114,3 Количество отверстий 1 : 4 Количество отверстий 2 : 2 Показать больше свойств | |
| | Тормозной барабан Вес [кг] : 3,9 Внутрен. высота торм. барабана [мм] : 42 Диаметр барабана : 203 Макс. размер расточки тормозного барабана [мм] : 204 Наружн. диаметр торм. барабана (мм) : 235 Номер технической информации : 98100 0300 0 1 Общ. высота торм. барабана [мм] : 63,5 Расположение/число отверстий : 04/06 Показать больше свойств | |
| | Тормозной барабан Вес [кг] : 3,9 Внутрен. высота торм. барабана [мм] : 42 Диаметр барабана : 203 Макс. размер расточки тормозного барабана [мм] : 204 Наружн. диаметр торм. барабана (мм) : 235 Общ. высота торм. барабана [мм] : 63,5 Расположение/число отверстий : 04/06 Показать больше свойств | |
| | Тормозной барабан Вес [кг] : 3,9 Внутрен. высота торм. барабана [мм] : 42 Диаметр барабана : 203 Дополнительный артикул / дополнительная информация 2 : без ступицы Макс. размер расточки тормозного барабана [мм] : 204 Наружн. диаметр торм. барабана (мм) : 235 Номер технической информации : 61300 Общ. высота торм. барабана [мм] : 63,5 Расположение/число отверстий : 04/06 Показать больше свойств | |
| | Тормозной барабан Внутрен. высота торм. барабана [мм] : 42 Внутрен. диаметр торм.барабан [мм] : 203 Высота [мм] : 64 Диаметр ступицы 1 [мм] : 90 Сторона установки : Задний мост Число отверстий в диске колеса : 4 Показать больше свойств | |
| | Тормозной барабан Сторона установки : Задний мост | |
| | Тормозной барабан | |
| | Тормозной барабан Внутрен. высота торм. барабана [мм] : 42 Диаметр [мм] : 203 Диаметр фаски 2 [мм] : 90 для артикула № : 7D0496 Количество отверстий 1 : 4 Количество отверстий 2 : 2 Общ. высота торм. барабана [мм] : 64 Показать больше свойств | |
| | Тормозной барабан Внутрен. высота торм. барабана [мм] : 47 Диаметр [мм] : 228,6 Диаметр фаски 2 [мм] : 90 для артикула № : 7D0487 Количество отверстий 1 : 4 Количество отверстий 2 : 2 Общ. высота торм. барабана [мм] : 62 Показать больше свойств | |
| | Тормозной барабан Внутрен. высота торм. барабана [мм] : 42 Диаметр барабана : 203.0 Диаметр отверстия [мм] : 90 Количество отверстий : 4 Наружн. диаметр торм. барабана (мм) : 235 Общ. высота торм. барабана [мм] : 63 Сторона установки : Задний мост Показать больше свойств | |
| | Тормозной барабан Внутрен. высота торм. барабана [мм] : 46 Диаметр барабана : 228.6 Диаметр фаски 2 [мм] : 114,3 Количество отверстий : 4 Макс. размер расточки тормозного барабана [мм] : 230,6 Общ. высота торм. барабана [мм] : 62 Сторона установки : Задний мост Показать больше свойств | |
| | Тормозной барабан Ø отверстия ступицы [мм] : 90 Вес [кг] : 4,05 Внутрен. высота торм. барабана [мм] : 42 Внутрен. диаметр торм.барабан [мм] : 203 Высота упаковки [см] : 11 Длина упаковки [см] : 27,5 Сторона установки : Задний мост Число отверстий : 4 Ширина упаковки [см] : 28,5 Показать больше свойств | |